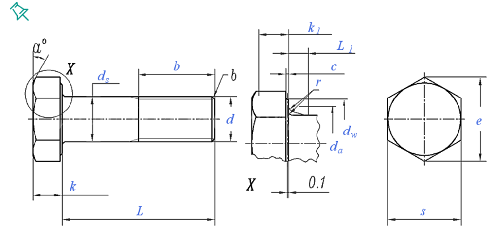
Sekrup & baut segi enam eksternal adalah pengencang dasar yang diakui untuk desain kepala enam sisi, direkayasa untuk memberikan transmisi torsi tinggi dan stabilitas mekanis di seluruh aplikasi industri. Diproduksi dari baja karbon (Kelas 8.8, 10.9, atau 12.9) atau paduan khusus, pengencang ini berkisar dari miniatur M1.6 benang hingga diameter M64 tugas berat, dengan panjang yang mencakup 12mm hingga 500mm untuk mengakomodasi beragam persyaratan pembawa beban. Kepala hex eksternal memungkinkan kunci pas atau soket, memastikan pengetatan yang aman di ruang terbatas - kritis untuk kerangka mesin perakitan, sambungan baja struktural, atau komponen otomotif di mana resistansi getaran adalah yang terpenting.
Perawatan permukaan seperti hot-dip galvanisasi tempur karat di lingkungan luar (mis. Jembatan, menara transmisi), sementara pelapis oksida hitam mengurangi refleksi cahaya dalam optik presisi atau perangkat keras militer. Hasil akhir khusus seperti PTFE atau cat elektroforetik meningkatkan ketahanan kimia untuk digunakan pada pabrik pemrosesan kimia atau peralatan laut. Pengodean warna khusus (biru, merah) membantu dalam manajemen inventaris atau protokol keselamatan, peringkat beban yang membedakan atau nilai material di tempat. Dengan toleransi benang standar dan kekuatan tarik, baut-baut ini memenuhi spesifikasi ISO dan ASTM, menyeimbangkan efisiensi biaya dengan kinerja untuk industri mulai dari energi terbarukan hingga manufaktur berat. Kemampuan beradaptasi dalam material, lapisan, dan ukuran menjadikan mereka solusi universal bagi para insinyur yang memprioritaskan daya tahan, kemudahan pemasangan, dan kepatuhan dengan standar mekanik yang ketat.


























